WYŁĄCZNIK ŚWIECZNIKOWY BEZŚRUBOWE PODŁĄCZANIE PRZEWODÓW -DECENTO-
- Kod produktu
- 2CHK590534C4300
- Typ produktu
- 3559K-C05345
- Serie
- Decento®
- Wariant
- biały
OPIS
Do montażu w podłożach o klasie reakcji na ogień B, C, D, E.
DOKUMENTY
| Nazwa dokumentu | Rozmiar | ||
|---|---|---|---|
| Návod k montáži přístrojů řady Decento® | 432,6 kB | ||
| JPG | Rozměrový výkres | 18,3 kB | |
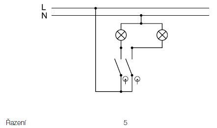
| JPG | Schéma zapojení | 8,0 kB |




Dzięki plikom cookies przeglądanie strony będzie dla Ciebie przyjemniejsze i łatwiejsze. Do przetworzenia niektórych z nich potrzebna jest Twoja zgoda, którą wyrażasz klikając „Akceptuję wszystkie” lub możesz uzgodnić je indywidualnie w „Ustaw pliki cookie”. Więcej informacji o plikach cookies i ich ustawieniach.